86-563-4186973

Submit feedback

XV-gradu internus foedus retinendi anulum pro peperit applications, m1302 jb Subministratores

In domo / Productus / Circlips internum / XV-gradu internus foedus retinendi anulum pro peperit applications, m1302 jb

ProducT CaTegories

Liquet

Contact Us

XV-gradu internus foedus retinendi anulum pro peperit applications, m1302 jb

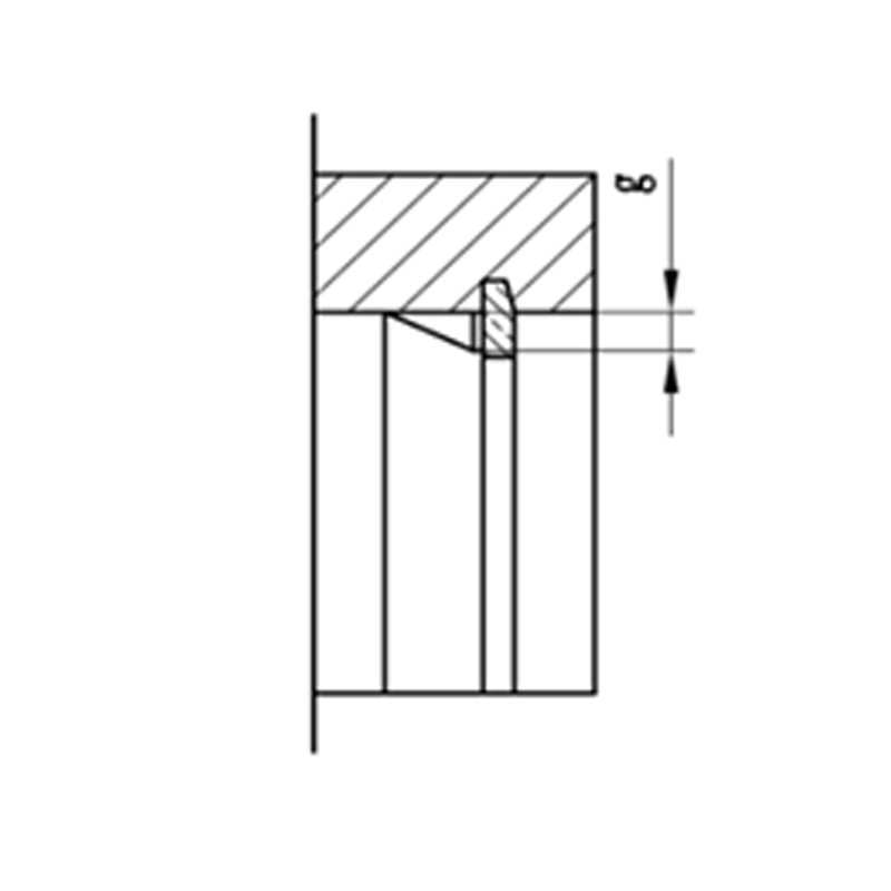
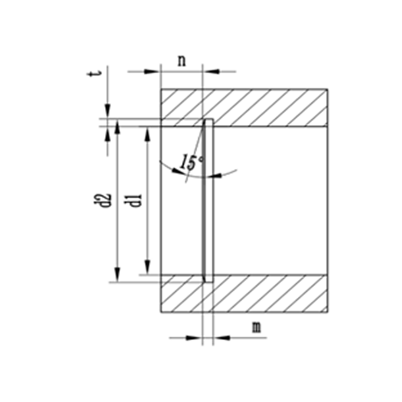
Internus foedus retinendi anulum per circuitum foraminis, ad figere axem motus partium huiusmodi retinendi anulum de diameter est leviter maior quam diametri de ecclesia circuitu foraminis. Et exterior diameter de productum habet a XV-gradus beveled angulus omnis sabbati, ad meliorem fix et ne motus ex partibus, in sulcus ubi retinentes annulum est installed etiam necessitates ad idem XV-gradu intervallis, ut ad retinendam anulum.

D1: Specification / nominis magnitudine; S: crassitudine; D3; exterius diameter; A: caput altitudinis; ≈ B: Widtha; D5, parva foraminis; Wt: Weight; FN, sulcus afferentem facultatem; P. retinendi anulus afferentem facultatem (recti angulus); G: Chamfer magnitudine; FRG: retinendi anulus afferentem facultatem (Chamfer);

XV-gradu internus foedus retinendi anulum pro peperit applications, m1302 jb

D1 S Tol S1 Tol D3 max ≈b D5 min Wt (G) D2 Tol m Tol n min
40
1.65
-0.15
1.25
-0.050
44
0,90 -0,60
5.3
4
1.9
4.05
42.8
0.13
1.3
0.025
41
1.65
-0.15
1.22
-0.050
45.8
0,90 -0,60
5.9
4
1.9
4.55
44
0.13
1.3
0.025
42
1.65
-0.15
1.22
-0.050
46.6
0,90 -0,60
5.9
4.2
1.9
4.73
45
0.13
1.3
0.025
43
1.65
-0.15
1.19
-0.050
47.6
0,90 -0,60
5.9
4.3
1.9
4.91
46
0.13
1.27
0.025
44
1.65
-0.15
1.19
-0.050
49.3
0,90 -0,60
6.1
4.3
1.9
4.68
47.2
0.13
1.27
0.025
46
1.65
-0.15
1.19
-0.050
51.1
0,90 -0,60
6.1
4.3
2.3
5.23
49.4
0.13
1.27
0.025
47
1.65
-0.15
1.19
-0.050
52.2
0,90 -0,60
6.1
4.3
2.3
5.82
50.4
0.13
1.27
0.025
48
1.65
-0.15
1.19
-0.050
52.6
0,90 -0,60
6.1
4.3
2.3
5.82
51.5
0.13
1.27
0.025
51
1.65
-0.15
1.15
-0.050
56.1
0,90 -0,60
6.2
4.3
2.3
6.36
54.6
0.13
1.22
0.025
52
2.05
-0.15
1.5
-0.075
57.9
1,00 -0,75
6.5
4.7
2.3
8.18
55.7
0.15
1.65
0.038
54
2.05
-0.15
1.56
-0.075
59.7
1,00 -0,75
6.7
4.9
2.3
8.82
57.9
0.15
1.65
0.038
56
2.05
-0.15
1.54
-0.075
61.3
1,00 -0,75
6.8
5
2.3
8.91
60.1
0.15
1.63
0.038
57
2.05
-0.15
1.54
-0.075
63.2
1,00 -0,75
7
5.2
2.3
9.91
61.5
0.15
1.63
0.038
60
2.05
-0.15
1.51
-0.075
66.8
1,00 -0,75
7
5.3
2.3
10.55
64.5
0.15
1.6
0.038
62
2.05
-0.15
1.48
-0.075
68.6
1,00 -0,75
7.2
5.2
2.7
11.54
66.5
0.15
1.57
0.038
63
2.05
-0.15
1.48
-0.075
70.5
1,00 -0,75
7.2
5.3
2.7
11.59
67.7
0.15
1.57
0.038
65
2.45
-0.15
1.88
-0.100
72.2
1,00 -0,75
7.5
5.6
2.7
15.45
69.8
0.15
1.98
0.038
67
2.45
-0.15
1.85
-0.100
73.9
1,00 -0,75
7.5
5.7
2.7
15.68
71.9
0.15
1.96
0.038
68
2.45
-0.15
1.85
-0.100
75.7
1,00 -0,75
7.7
6
2.7
15.91
73.1
0.15
1.96
0.038
70
2.45
-0.15
1.83
-0.100
77.5
1,00 -0,75
7.7
5.9
2.7
14.14
75.2
0.15
1.93
0.038
72
2.45
-0.15
1.83
-0.100
79.3
1,00 -0,75
7.7
5.8
2.7
16.36
77.3
0.15
1.93
0.038
78
2.85
-0.15
2.15
-0.130
86.8
1,40 -1,40
8.1
6.5
3.1
24.09
83.7
0.15
2.26
0.051
80
2.85
-0.15
2.15
-0.130
89.5
1,40 -1,40
8.1
6.7
3.1
25.19
86
0.15
2.26
0.051
82
2.85
-0.15
2.15
-0.130
92
1,40 -1,40
8.9
6.8
3.1
27.27
88.1
0.15
2.26
0.051
85
2.85
-0.15
2.15
-0.130
94.8
1,40 -1,40
8.9
7
3.1
29.55
91.2
0.15
2.26
0.051
88
2.85
-0.15
2.15
-0.130
98
1,40 -1,40
8.9
7.4
3.1
31.36
94.6
0.15
2.26
0.051
90
2.85
-0.15
2.15
-0.130
100
1,40 -1,40
8.9
7.4
3.1
32.73
96.8
0.15
2.26
0.051
92
2.85
-0.15
2.15
-0.130
102.2
1,40 -1,40
8.9
7.7
3.1
33.18
99
0.15
2.26
0.051
95
2.85
-0.15
2.15
-0.130
105.6
1,65 -1,65
8.9
7.8
3.1
35.45
102.1
0.15
2.26
0.051
98
2.85
-0.15
2.15
-0.130
109
1,65 -1,65
9.6
8.1
3.1
39.55
105.5
0.15
2.26
0.051
100
2.85
-0.15
2.15
-0.130
110.7
1,65 -1,65
9.6
8.1
3.1
40
107.6
0.15
2.26
0.051
102
2.85
-0.15
2.15
-0.130
112.4
1,65 -1,65
9.6
8.4
3.1
42.27
109.7
0.15
2.26
0.051
105
2.85
-0.15
2.15
-0.130
115.8
1,65 -1,65
9.6
8.4
3.1
44.09
112.8
0.15
2.26
0.051
108
2.85
-0.15
2.15
-0.130
119.2
1,65 -1,65
9.6
8.5
3.1
45.91
116.1
0.15
2.26
0.051
110
2.85
-0.15
2.15
-0.130
120.8
1,65 -1,65
10.5
8.6
3.8
47.73
118
0.15
2.26
0.051
115
2.85
-0.15
2.15
-0.130
125.5
1,65 -1,65
10.5
8.9
3.8
50.45
123.2
0.15
2.26
0.051
118
2.85
-0.15
2.15
-0.130
128.9
1,65 -1,65
10.5
8.9
3.8
53.18
126.3
0.15
2.26
0.051
120
2.85
-0.15
2.15
-0.130
132.4
1,65 -1,65
10.5
9.1
3.8
56.36
128.6
0.15
2.26
0.051
127
2.85
-0.15
2.15
-0.130
139.3
1,65 -1,65
11.3
9.9
3.8
61.82
135.8
0.15
2.26
0.051
140
3.25
-0.20
2.49
-0.150
154.1
1,65 -1,65
11.8
10.4
3.8
83.18
149.2
0.15
2.29
0.051
De nobis
Anhui Ningguo DongBo Fastener Co., Ltd.
Dongbo erat statutum in September MMV cum registered caput 47.72 decies. Est sita in National Ningguo oeconomica et technicae progressionem zonam, operit an area de XCI iugera et currently habet plus quam CDXX elit. The company has been focusing on the production of retaining rings for 46 years and is a professional Wholesale Snap Rings Manufacturers and OEM/ODM Snap Retaining Rings Factory, producing washers (round, butterfly, spherical), retaining rings, elastic cylindrical pins and other series of products and non-standard customized stamping parts. Est summus tech inceptum cum magna scale, multiple varietates, integrum cubits, et integrated vestibulum, R & D et Sales in industria.
Certificatorium honoris
  • Cnas
  • Iatf16949
  • Testimoniales
  • Iso14001
  • Testimoniales
  • Testimoniales
  • Testimoniales
  • Testimoniales
  • Testimoniales
  • Testimoniales
  • Testimoniales
  • Testimoniales

Nuntium

  • Apr 27,2026

    Non Latin Stamping Partes: A Guide

    Quid Non Latin Stamping partes sunt et cum opus illis NOTA VEXILLATIO PARTES NON- sunt praecisio metallorum, quae fiunt per processes stampas — utentes perit et pugnis ad instare schedae met...

    Visum
  • Apr 22,2026

    Circlip externi instruitur & amotio: GRADATUS Guide

    Circuli externi sunt inter fixores certissimos et sumptus efficaces in machinatione mechanica. In omnibus rebus ab autocinetis ad machinas TRADUCTOR industriae inventae, solutionem pactam praebent ad impediendum motum...

    Visum
  • Apr 15,2026

    Snap Rings Guide: Genera, Usus & Electio

    Intellectus Core Function Snap Annuli Snap annulos , saepe ad annulos vel circulos retinendos, proposito mechanico valde specifico inserviunt: motum axialem restringunt, servato radiali alvi praecisione in co...

    Visum
  • Apr 08,2026

    Non Latin Stamping Partes: Industrial Guide

    Ipsum Precision in Non-vexillum Stamping Partibus Productio Partes non-vexillares Stamping solutionem fabricandi criticam repraesentant pro industriarum requirunt components quae ab specificationibus conventionalib...

    Visum
XV-gradu internus foedus retinendi anulum pro peperit applications, m1302 jb Scientia industriae

Ex consilio ad Application: Quam M1302 JB XV-gradus foedus retinendi annulos ne axial motus

Ingeniosus consilio M1302 JB XV-gradus foedus retinendi annulos
Et M1302 JB XV-gradu foederata retinendi anulum est machinatum cum unicum XV-gradu foedus ore per suum exterius diameter. Hoc consilium pluma non arbitraria, ut serves a discrimine proposito. Cum installed in circuitu foraminis, in anulum scriptor beveled ora alsigns perfecte cum correspondentes sulcus etiam features a XV-gradu angle. Hoc precise apta gignit secure densis mechanism efficaciter prohibet axial motus convenerunt partes.

Quid facit consilio efficaciter? Et XV-gradus LABOR optimizes onus distribution, enhances tenaci, et reduces accentus concentratione in utroque circulum et in circuitu components. Hoc ensures quod retinendi anulus potest resistere significant viribus sine comproming perficientur, faciens idealis pro applications ubi stabilitas et diuturnitatem sunt paramunt.

Bross consilio cum realis-mundi applications
XV-gradu veri valorem de M1302 JB-gradu foederata retinendi anulum mendacium in facultatem ad transitus seamlessly a consilio ad realem, mundum application. Haec sunt late per varia industries, quisque beneficia ex praecisione Engineering et robust perficientur:

Automotive industria: in engines, transmissiones, et suspensionis systems, hi annulos ut discrimine components manere confidenter in loco, reducendo tremens et gerunt in tempore.
Hydraulic systems: afficientes pistons et cylindri, sunt ponere ratio integritas sub extrema pressura et temperatus conditionibus, cursus consistent perficientur.
Gravis Machinery: Ex constructione apparatu ad agriculturae instrumenta, haec annulos providere stabilitatem opus ad tractamus gravibus onerat et repetita accentus sine defectu.
Electronics et appliances: pacto tamen reliable, sunt specimen pro parvis-scale convivium sicut familia adjumenta et electronic cogitationes, ubi spatium limited sed perficientur non potest esse compromisione.
In omnibus application, in M1302 JB XV-gradus foedus retinendi annulum probat eius valet per tradens innumerabilis stabilitatem, praecisione, et Vivacitas.

Innovation incessus excellentia
In Dongbo, Innovation est ad Cor Omnis enim facimus. Nostri quadrigis combines cuts-ora technology cum rigorous qualis control processus processus ut omnis M1302 JB XV-gradu foedera retinendi anulum occurrat summum signa perficientur.

Ex massa, produci vexillum partes ad bespoke consilia tailored ad specifica necessitatibus, accedere omnem project cum alacritate et praecisione. Nostra dedication ad innovation extendat ultra products, ut contendunt providere unum-subsisto solutions quod oratio ad evolving challenges adversus nostros customers.

Morabatur ad nostram missionem, tradens reliable, summus qualitas products-nos meruit in fide clients per industrias. Utrum vos erant 'vultus off-the-PLUTEUM solutions vel consuetudo, machinator components, habemus peritia in occursum tuum elit.

Cum enim advenit ne motus mechanica coetus: M1302 JB XV-gradu foedera retinendi annulos Sto sicco ut testamento ad potentiam cogitationis consilio et meticulosa ipsum. In Anhui Ningguo Dongbo Fastener Co., Ltd., ut superbia in discrimine his anulos ad auxilium industrias consequi unica stabilitatem et perficientur.

Utrum vos es conveniens automotive components, hydrau systems, vel gravibus machina, nostra retinendo annulos offerre perfectam miscetur vires, praecisione et adaptability. Fiat tibi esse particeps tua in victoria, providente ad instrumenta vos postulo ut ædificem meliorem, fortior, et magis certa systems.

Contact Us Hodie ut reveles quomodo nostri M1302 JB XV-gradu foederata retinendi annulos potest transform vestri projects et expellam vestri negotium deinceps!