86-563-4186973

Submit feedback

Internum CIRCELIPS, Din472 metrica Subministratores

In domo / Productus / Circlips internum / Internum CIRCELIPS, Din472 metrica

ProducT CaTegories

Liquet

Contact Us

Internum CIRCELIPS, Din472 metrica

Metric Din472 Internum CIRCES est ne axial motus partium convenerunt in foraminis. Est plerumque installed in pre-processionaliter circularis foraminis interiore sulcus et installed cum speciali cocclip pliers. Et exterior diameter huius generis CIRCALPs paulo maior quam diameter de convenisse circularis foraminis.

Material: Conventional ipsum ferro et immaculatam ferro (65mn, c64s, 2CR13, CCCIV, 1.4122, etc)

Superficies curatio: Variis conventional vexillum curatio modi, ut phosphaating, Dacomet, Geomet, Galvanizing, cadmiae-nickel plating, electrophoresis, etc.

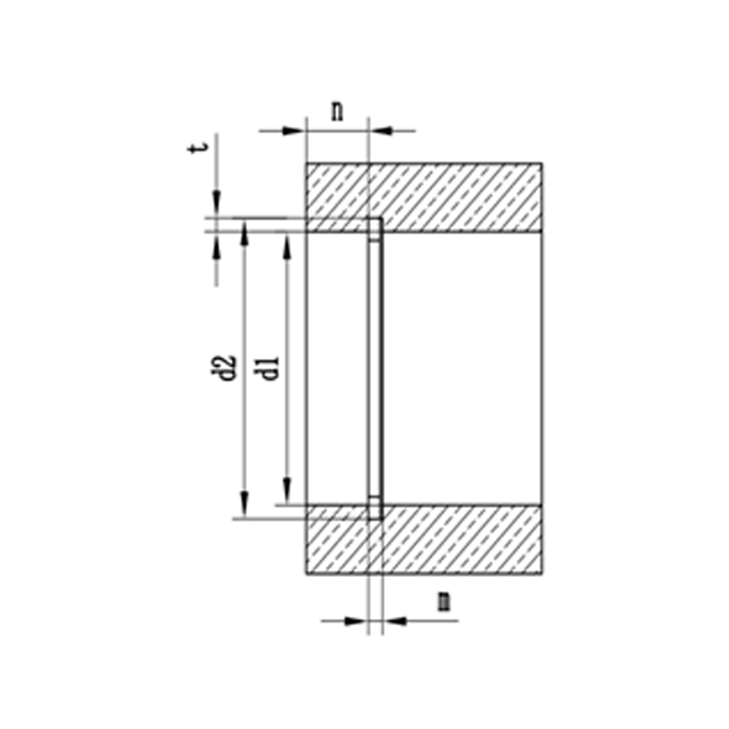
D1: Specification / nominis magnitudine; S: crassitudine; D3; exterius diameter; A: caput altitudinis; ≈ B: Widtha; D5, parva foraminis; Wt: Weight; FN, sulcus afferentem facultatem; P. retinendi anulus afferentem facultatem (recti angulus); G: Chamfer magnitudine; FRG: retinendi anulus afferentem facultatem (Chamfer);

Internum CIRCELIPS, Din472 metrica

D1 S Tol S1 Tol D3 max ≈b D5 min Wt (G) D2 Tol m Tol n min
8
0.80
-0.05
8.7
0,36 -0.10
2.4
1.1
1.0
0.10
8.4
0.09
0.90
0.20
0.6
0.86
9
0.80
-0.05
9.8
0,36 -0.10
2.5
1.3
1.0
0.13
9.4
0.09
0.90
0.20
0.6
0.96
10
1.00
-0.06
10.8
0,36 -0.10
3.2
1.4
1.2
0.26
10.4
0.11
1.10
0.20
0.6
1.08
11
1.00
-0.06
11.8
0,36 -0.10
3.3
1.5
1.2
0.31
11.4
0.11
1.10
0.20
0.6
1.17
12
1.00
-0.06
13.0
0,36 -0.10
3.4
1.7
1.5
0.37
12.5
0.11
1.10
0.25
0.8
1.60
13
1.00
-0.06
14.1
0,36 -0.10
3.6
1.8
1.5
0.42
13.6
0.11
1.10
0.30
0.9
2.10
14
1.00
-0.06
15.1
0,36 -0.10
3.7
1.8
1.7
0.52
14.6
0.11
1.10
0.30
0.9
2.25
15
1.00
-0.06
16.2
0,36 -0.10
3.7
2.0
1.7
0.56
15.7
0.11
1.10
0.35
1.1
2.80
16
1.00
-0.06
17.3
0,36 -0.10
3.8
2.0
1.7
0.60
16.8
0.11
1.10
0.40
1.2
3.40
17
1.00
-0.06
18.3
0.42 -0.13
3.9
2.1
1.7
0.65
17.8
0.11
1.10
0.40
1.2
3.60
18
1.00
-0.06
19.5
0.42 -0.13
4.1
2.2
2.0
0.74
19.0
0.13
1.10
0.50
1.5
4.80
19
1.00
-0.06
20.5
0.42 -0.13
4.1
2.2
2.0
0.73
20.0
0.13
1.10
0.50
1.5
5.10
20
1.00
-0.06
21.5
0.42 -0.13
4.1
2.3
2.0
0.90
21.0
0.13
1.10
0.50
1.5
5.40
21
1.00
-0.06
22.5
0.42 -0.13
4.2
2.4
2.0
1.00
22.0
0.13
1.10
0.50
1.5
5.70
22
1.00
-0.06
23.5
0.42 -0.13
4.2
2.5
2.0
1.10
23.0
0.13
1.10
0.50
1.5
5.90
23
1.20
-0.06
24.6
0.42 -0.13
4.2
2.5
2.0
1.34
24.1
0.13
1.30
0.55
1.7
6.80
24
1.20
-0.06
25.9
0.42 -0.21
4.3
2.6
2.0
1.42
25.2
0.21
1.30
0.60
1.8
7.70
25
1.20
-0.06
26.9
0.42 -0.21
4.5
2.7
2.0
1.50
26.2
0.21
1.30
0.60
1.8
8.00
26
1.20
-0.06
27.9
0.42 -0.21
4.7
2.8
2.0
1.60
27.2
0.21
1.30
0.60
1.8
8.40
27
1.20
-0.06
29.1
0.42 -0.21
4.7
2.9
2.0
1.75
28.4
0.21
1.30
0.70
2.1
10.10
28
1.20
-0.06
30.1
-0.50 -0.50
4.8
2.9
2.0
1.80
29.4
0.21
1.30
0.70
2.1
10.50
29
1.20
-0.06
31.1
-0.50 -0.50
4.8
3.0
2.0
1.88
30.4
0.25
1.30
0.70
2.1
10.90
30
1.20
-0.06
32.1
-0.50 -0.50
4.8
3.0
2.0
2.06
31.4
0.25
1.30
0.70
2.1
11.30
31
1.20
-0.06
33.4
-0.50 -0.50
5.2
3.1
2.5
2.10
32.7
0.25
1.30
0.85
2.6
14.10
32
1.20
-0.06
34.4
-0.50 -0.50
5.4
3.2
2.5
2.21
33.7
0.25
1.30
0.85
2.6
14.60
33
1.20
-0.06
35.5
-0.50 -0.50
5.4
3.3
2.5
2.40
34.7
0.25
1.30
0.85
2.6
15.00
34
1.50
-0.06
36.5
-0.50 -0.50
5.4
3.3
2.5
3.20
35.7
0.25
1.60
0.85
2.6
15.40
35
1.50
-0.06
37.8
-0.50 -0.50
5.4
3.4
2.5
3.54
37.0
0.25
1.60
1.00
3.0
18.80
36
1.50
-0.06
38.8
-0.50 -0.50
5.4
3.5
2.5
3.70
38.0
0.25
1.60
1.00
3.0
19.40
37
1.50
-0.06
39.8
-0.50 -0.50
5.5
3.6
2.5
3.74
39.0
0.25
1.60
1.00
3.0
19.80
38
1.50
-0.06
40.8
-0.50 -0.50
5.5
3.7
2.5
3.90
40.0
0.25
1.60
1.00
3.0
22.50
39
1.50
-0.06
42.0
0.90 -0.39
5.6
3.8
2.5
4.00
41.0
0.25
1.60
1.00
3.0
26.00
40
1.75
-0.06
43.5
0.90 -0.39
5.8
3.9
2.5
4.70
42.5
0.25
1.85
1.25
3.8
27.00
41
1.75
-0.06
44.5
0.90 -0.39
5.9
4.0
2.5
5.10
43.5
0.25
1.85
1.25
3.8
27.60
42
1.75
-0.06
45.5
0.90 -0.39
5.9
4.1
2.5
5.40
44.5
0.25
1.85
1.25
3.8
28.40
43
1.75
-0.06
46.5
0.90 -0.39
5.9
4.2
2.5
5.60
45.5
0.25
1.85
1.25
3.8
28.80
44
1.75
-0.06
47.5
0.90 -0.39
6.0
4.2
2.5
5.80
46.5
0.25
1.85
1.25
3.8
29.50
45
1.75
-0.06
48.5
0.90 -0.39
6.2
4.3
2.5
6.00
47.5
0.25
1.85
1.25
3.8
30.20
46
1.75
-0.06
49.5
0.90 -0.39
6.3
4.4
2.5
6.05
48.5
0.25
1.85
1.25
3.8
30.80
47
1.75
-0.06
50.5
1,10 -0.46
6.4
4.4
2.5
6.10
49.5
0.25
1.85
1.25
3.8
31.40
48
1.75
-0.06
51.5
1,10 -0.46
6.4
4.5
2.5
6.70
50.5
0.30
1.85
1.25
3.8
32.00
50
2.00
-0.07
54.2
1,10 -0.46
6.5
4.6
2.5
7.30
53.0
0.30
2.15
1.50
4.5
40.50
51
2.00
-0.07
55.2
1,10 -0.46
6.5
4.7
2.5
7.75
54.0
0.30
2.15
1.50
4.5
41.20
52
2.00
-0.07
56.2
1,10 -0.46
6.7
4.7
2.5
8.20
55.0
0.30
2.15
1.50
4.5
42.00
53
2.00
-0.07
57.2
1,10 -0.46
6.7
4.9
2.5
8.22
56.0
0.30
2.15
1.50
4.5
42.90
54
2.00
-0.07
58.2
1,10 -0.46
6.7
5.0
2.5
8.25
57.0
0.30
2.15
1.50
4.5
43.60
55
2.00
-0.07
59.2
1,10 -0.46
6.8
5.0
2.5
8.30
58.0
0.30
2.15
1.50
4.5
44.40
56
2.00
-0.07
60.2
1,10 -0.46
6.8
5.1
2.5
8.80
59.0
0.30
2.15
1.50
4.5
45.20
57
2.00
-0.07
61.2
1,10 -0.46
6.8
5.1
2.5
9.40
60.0
0.30
2.15
1.50
4.5
46.00
58
2.00
-0.07
62.2
1,10 -0.46
6.9
5.2
2.5
10.50
61.0
0.30
2.15
1.50
4.5
46.70
60
2.00
-0.07
64.2
1,10 -0.46
7.3
5.4
2.5
11.10
63.0
0.30
2.15
1.50
4.5
48.30
62
2.00
-0.07
66.2
1,10 -0.46
7.3
5.5
2.5
11.20
65.0
0.30
2.15
1.50
4.5
49.80
63
2.00
-0.07
67.2
1,10 -0.46
7.3
5.6
2.5
12.40
66.0
0.30
2.15
1.50
4.5
50.60
64
2.00
-0.07
68.2
1,10 -0.46
7.4
5.7
2.5
12.45
67.0
0.30
2.15
1.50
4.5
51.40
65
2.50
-0.07
69.2
1,10 -0.46
7.6
5.8
3.0
14.30
68.0
0.30
2.65
1.50
4.5
51.80
67
2.50
-0.07
71.5
1,10 -0.46
7.7
6.0
3.0
15.30
70.0
0.30
2.65
1.50
4.5
53.80
68
2.50
-0.07
72.5
1,10 -0.46
7.8
6.1
3.0
16.00
71.0
0.30
2.65
1.50
4.5
56.20
70
2.50
-0.07
74.5
1,10 -0.46
7.8
6.2
3.0
16.50
73.0
0.30
2.65
1.50
4.5
56.20
72
2.50
-0.07
76.5
1,10 -0.46
7.8
6.4
3.0
18.10
75.0
0.30
2.65
1.50
4.5
58.00
75
2.50
-0.07
79.5
1,10 -0.46
7.8
6.6
3.0
18.80
78.0
0.30
2.65
1.50
4.5
60.00
77
2.50
-0.07
82.5
1.30 -0.54
8.5
6.8
3.0
20.40
80.0
0.30
2.65
1.50
4.5
61.60
78
2.50
-0.07
82.5
1.30 -0.54
8.5
6.8
3.0
20.40
81.0
0.35
2.65
1.50
4.5
62.30
80
2.50
-0.07
85.5
1.30 -0.54
8.5
7.0
3.0
22.00
83.5
0.35
2.65
1.75
5.3
74.60
81
2.50
-0.07
86.5
1.30 -0.54
8.5
7.0
3.0
23.00
84.5
0.35
2.65
1.75
5.3
75.80
82
2.50
-0.07
87.5
1.30 -0.54
8.5
7.0
3.0
24.00
85.5
0.35
2.65
1.75
5.3
76.60
83
2.50
-0.07
88.5
1.30 -0.54
8.5
7.0
3.0
25.00
86.5
0.35
2.65
1.75
5.3
77.50
85
3.00
-0.08
90.5
1.30 -0.54
8.6
7.2
3.5
25.30
88.5
0.35
3.15
1.75
5.3
79.50
87
3.00
-0.08
93.5
1.30 -0.54
8.6
7.4
3.5
31.00
90.5
0.35
3.15
1.75
5.3
81.30
88
3.00
-0.08
93.5
1.30 -0.54
8.6
7.4
3.5
31.00
91.5
0.35
3.15
1.75
5.3
82.00
90
3.00
-0.08
95.5
1.30 -0.54
8.6
7.6
3.5
33.00
93.5
0.35
3.15
1.75
5.3
84.00
92
3.00
-0.08
97.5
1.30 -0.54
8.7
7.8
3.5
35.00
95.5
0.35
3.15
1.75
5.3
85.00
95
3.00
-0.08
100.5
1.30 -0.54
8.8
8.1
3.5
37.00
98.5
0.35
3.15
1.75
5.3
88.00
97
3.00
-0.08
103.5
1.30 -0.54
9.0
8.3
3.5
41.00
100.5
0.35
3.15
1.75
5.3
90.00
98
3.00
-0.08
103.5
1.30 -0.54
9.0
8.3
3.5
41.00
101.5
0.35
3.15
1.75
5.3
91.00
100
3.00
-0.08
105.5
1.30 -0.54
9.2
8.4
3.5
42.00
103.5
0.35
3.15
1.75
5.3
93.00
102
4.00
-0.10
108.0
1.30 -0.54
9.5
8.5
3.5
55.00
106.0
0.54
4.15
2.00
6.0
108.00
105
4.00
-0.10
112.0
1.30 -0.54
9.5
8.7
3.5
56.00
109.0
0.54
4.15
2.00
6.0
112.00
107
4.00
-0.10
115.0
1.30 -0.54
9.5
8.9
3.5
60.00
111.0
0.54
4.15
2.00
6.0
114.00
108
4.00
-0.10
115.0
1.30 -0.54
9.5
8.9
3.5
60.00
112.0
0.54
4.15
2.00
6.0
115.00
110
4.00
-0.10
117.0
1.30 -0.54
10.4
9.0
3.5
64.50
114.0
0.54
4.15
2.00
6.0
117.00
112
4.00
-0.10
119.0
1.30 -0.54
10.5
9.1
3.5
72.00
116.0
0.54
4.15
2.00
6.0
119.00
115
4.00
-0.10
122.0
1.50 -0.63
10.5
9.3
3.5
74.50
119.0
0.54
4.15
2.00
6.0
122.00
117
4.00
-0.10
125.0
1.50 -0.63
10.7
9.6
3.5
75.50
121.0
0.63
4.15
2.00
6.0
124.00
118
4.00
-0.10
125.0
1.50 -0.63
10.7
9.6
3.5
75.50
122.0
0.63
4.15
2.00
6.0
125.00
120
4.00
-0.10
127.0
1.50 -0.63
11.0
9.7
3.5
77.00
124.0
0.63
4.15
2.00
6.0
127.00
122
4.00
-0.10
129.0
1.50 -0.63
11.0
9.8
4.0
78.00
126.0
0.63
4.15
2.00
6.0
129.00
125
4.00
-0.10
132.0
1.50 -0.63
11.0
10.0
4.0
79.00
129.0
0.63
4.15
2.00
6.0
132.00
127
4.00
-0.10
135.0
1.50 -0.63
11.0
10.0
4.0
81.00
131.0
0.63
4.15
2.00
6.0
135.00
128
4.00
-0.10
135.0
1.50 -0.63
11.0
10.2
4.0
81.00
132.0
0.63
4.15
2.00
6.0
136.00
130
4.00
-0.10
137.0
1.50 -0.63
11.0
10.2
4.0
82.00
134.0
0.63
4.15
2.00
6.0
138.00
132
4.00
-0.10
139.0
1.50 -0.63
11.0
10.3
4.0
83.00
136.0
0.63
4.15
2.00
6.0
140.00
135
4.00
-0.10
142.0
1.50 -0.63
11.2
10.5
4.0
84.00
139.0
0.63
4.15
2.00
6.0
143.00
137
4.00
-0.10
145.0
1.50 -0.63
11.2
10.6
4.0
86.00
141.0
0.63
4.15
2.00
6.0
145.00
138
4.00
-0.10
145.0
1.50 -0.63
11.2
10.6
4.0
86.00
142.0
0.63
4.15
2.00
6.0
146.00
140
4.00
-0.10
147.0
1.50 -0.63
11.2
10.7
4.0
87.50
144.0
0.63
4.15
2.00
6.0
148.00
142
4.00
-0.10
149.0
1.50 -0.63
11.3
10.8
4.0
89.00
146.0
0.63
4.15
2.00
6.0
150.00
145
4.00
-0.10
152.0
1.50 -0.63
11.4
10.9
4.0
93.00
149.0
0.63
4.15
2.00
6.0
153.00
147
4.00
-0.10
155.0
1.50 -0.63
11.8
11.1
4.0
100.00
151.0
0.63
4.15
2.00
6.0
156.00
148
4.00
-0.10
155.0
1.50 -0.63
11.8
11.1
4.0
100.00
152.0
0.63
4.15
2.00
6.0
157.00
150
4.00
-0.10
158.0
1.50 -0.63
12.0
11.2
4.0
105.00
155.0
0.63
4.15
2.50
7.5
191.00
152
4.00
-0.10
161.0
1.50 -0.63
12.0
11.3
4.0
106.00
157.0
0.63
4.15
2.50
7.5
202.00
155
4.00
-0.10
164.0
1.50 -0.63
12.0
11.4
4.0
107.00
160.0
0.63
4.15
2.50
7.5
206.00
157
4.00
-0.10
167.0
1.50 -0.63
12.3
11.5
4.0
109.00
162.0
0.63
4.15
2.50
7.5
208.00
158
4.00
-0.10
167.0
1.50 -0.63
12.3
11.5
4.0
109.00
163.0
0.63
4.15
2.50
7.5
210.00
160
4.00
-0.10
169.0
1.50 -0.63
13.0
11.6
4.0
110.00
165.0
0.63
4.15
2.50
7.5
212.00
162
4.00
-0.10
171.5
1.50 -0.63
13.0
11.7
4.0
118.00
167.0
0.63
4.15
2.50
7.5
215.00
165
4.00
-0.10
174.5
1.50 -0.63
13.0
11.8
4.0
125.00
170.0
0.63
4.15
2.50
7.5
219.00
167
4.00
-0.10
177.5
1.50 -0.63
13.5
12.1
4.0
135.00
172.0
0.63
4.15
2.50
7.5
221.00
168
4.00
-0.10
177.5
1.50 -0.63
13.5
12.1
4.0
135.00
173.0
0.63
4.15
2.50
7.5
223.00
170
4.00
-0.10
179.5
1.50 -0.63
13.5
12.2
4.0
140.00
175.0
0.63
4.15
2.50
7.5
225.00
172
4.00
-0.10
181.5
1.70 -0.72
13.5
12.5
4.0
145.00
177.0
0.63
4.15
2.50
7.5
228.00
175
4.00
-0.10
184.5
1.70 -0.72
13.5
12.7
4.0
150.00
180.0
0.63
4.15
2.50
7.5
232.00
177
4.00
-0.10
187.5
1.70 -0.72
14.2
12.9
4.0
162.00
182.0
0.72
4.15
2.50
7.5
235.00
178
4.00
-0.10
187.5
1.70 -0.72
14.2
12.9
4.0
162.00
183.0
0.72
4.15
2.50
7.5
236.00
180
4.00
-0.10
189.5
1.70 -0.72
14.2
13.2
4.0
165.00
185.0
0.72
4.15
2.50
7.5
238.00
182
4.00
-0.10
191.5
1.70 -0.72
14.2
13.5
4.0
168.00
187.0
0.72
4.15
2.50
7.5
241.00
185
4.00
-0.10
194.5
1.70 -0.72
14.2
13.7
4.0
170.00
190.0
0.72
4.15
2.50
7.5
245.00
187
4.00
-0.10
197.5
1.70 -0.72
14.2
13.8
4.0
174.00
192.0
0.72
4.15
2.50
7.5
248.00
188
4.00
-0.10
197.5
1.70 -0.72
14.2
13.8
4.0
174.00
193.0
0.72
4.15
2.50
7.5
249.00
190
4.00
-0.10
199.5
1.70 -0.72
14.2
13.8
4.0
175.00
195.0
0.72
4.15
2.50
7.5
251.00
192
4.00
-0.10
201.5
1.70 -0.72
14.2
13.8
4.0
178.00
197.0
0.72
4.15
2.50
7.5
254.00
195
4.00
-0.10
204.5
1.70 -0.72
14.2
13.8
4.0
183.00
200.0
0.72
4.15
2.50
7.5
258.00
197
4.00
-0.10
207.5
1.70 -0.72
14.2
14.0
4.0
190.00
202.0
0.72
4.15
2.50
7.5
260.00
198
4.00
-0.10
207.5
1.70 -0.72
14.2
14.0
4.0
190.00
203.0
0.72
4.15
2.50
7.5
262.00
200
4.00
-0.10
209.5
1.70 -0.72
14.2
14.0
4.0
195.00
205.0
0.72
4.15
2.50
7.5
265.00
202
5.00
-0.12
214.0
1.70 -0.72
14.2
14.0
4.0
210.00
208.0
0.72
5.15
3.00
9.0
321.00
205
5.00
-0.12
217.0
1.70 -0.72
14.2
14.0
4.0
225.00
211.0
0.72
5.15
3.00
9.0
326.00
207
5.00
-0.12
217.0
1.70 -0.72
14.2
14.0
4.0
225.00
213.0
0.72
5.15
3.00
9.0
329.00
208
5.00
-0.12
222.0
1.70 -0.72
14.2
14.0
4.0
270.00
214.0
0.72
5.15
3.00
9.0
331.00
210
5.00
-0.12
222.0
1.70 -0.72
14.2
14.0
4.0
270.00
216.0
0.72
5.15
3.00
9.0
333.00
212
5.00
-0.12
222.0
1.70 -0.72
14.2
14.0
4.0
270.00
218.0
0.72
5.15
3.00
9.0
337.00
215
5.00
-0.12
227.0
1.70 -0.72
14.2
14.0
4.0
300.00
221.0
0.72
5.15
3.00
9.0
341.00
217
5.00
-0.12
227.0
1.70 -0.72
14.2
14.0
4.0
300.00
223.0
0.72
5.15
3.00
9.0
345.00
218
5.00
-0.12
232.0
1.70 -0.72
14.2
14.0
4.0
315.00
224.0
0.72
5.15
3.00
9.0
346.00
220
5.00
-0.12
232.0
1.70 -0.72
14.2
14.0
4.0
315.00
226.0
0.72
5.15
3.00
9.0
349.00
222
5.00
-0.12
232.0
1.70 -0.72
14.2
14.0
4.0
315.00
228.0
0.72
5.15
3.00
9.0
353.00
225
5.00
-0.12
237.0
1.70 -0.72
14.2
14.0
4.0
323.00
231.0
0.72
5.15
3.00
9.0
357.00
227
5.00
-0.12
237.0
1.70 -0.72
14.2
14.0
4.0
323.00
233.0
0.72
5.15
3.00
9.0
361.00
228
5.00
-0.12
242.0
1.70 -0.72
14.2
14.0
4.0
330.00
234.0
0.72
5.15
3.00
9.0
362.00
230
5.00
-0.12
242.0
1.70 -0.72
14.2
14.0
4.0
330.00
236.0
0.72
5.15
3.00
9.0
365.00
232
5.00
-0.12
242.0
2.00 -0.81
14.2
14.0
4.0
330.00
238.0
0.72
5.15
3.00
9.0
369.00
235
5.00
-0.12
247.0
2.00 -0.81
14.2
14.0
4.0
338.00
241.0
0.72
5.15
3.00
9.0
373.00
237
5.00
-0.12
247.0
2.00 -0.81
14.2
14.0
4.0
338.00
243.0
0.72
5.15
3.00
9.0
376.00
238
5.00
-0.12
252.0
2.00 -0.81
14.2
14.0
4.0
345.00
244.0
0.72
5.15
3.00
9.0
378.00
240
5.00
-0.12
252.0
2.00 -0.81
14.2
14.0
4.0
345.00
246.0
0.72
5.15
3.00
9.0
380.00
242
5.00
-0.12
252.0
2.00 -0.81
14.2
14.0
4.0
345.00
248.0
0.81
5.15
3.00
9.0
385.00
245
5.00
-0.12
257.0
2.00 -0.81
14.2
14.0
4.0
353.00
251.0
0.81
5.15
3.00
9.0
389.00
247
5.00
-0.12
257.0
2.00 -0.81
14.2
14.0
4.0
353.00
253.0
0.81
5.15
3.00
9.0
392.00
248
5.00
-0.12
262.0
2.00 -0.81
14.2
14.0
4.0
360.00
254.0
0.81
5.15
3.00
9.0
394.00
250
5.00
-0.12
262.0
2.00 -0.81
14.2
14.0
4.0
360.00
256.0
0.81
5.15
3.00
9.0
396.00
252
5.00
-0.12
262.0
2.00 -0.81
14.2
16.0
5.0
360.00
260.0
0.81
5.15
4.00
12.0
535.00
255
5.00
-0.12
270.0
2.00 -0.81
16.2
16.0
5.0
368.00
263.0
0.81
5.15
4.00
12.0
541.00
257
5.00
-0.12
270.0
2.00 -0.81
16.2
16.0
5.0
368.00
265.0
0.81
5.15
4.00
12.0
546.00
258
5.00
-0.12
275.0
2.00 -0.81
16.2
16.0
5.0
375.00
266.0
0.81
5.15
4.00
12.0
548.00
260
5.00
-0.12
275.0
2.00 -0.81
16.2
16.0
5.0
375.00
268.0
0.81
5.15
4.00
12.0
553.00
262
5.00
-0.12
275.0
2.00 -0.81
16.2
16.0
5.0
375.00
270.0
0.81
5.15
4.00
12.0
556.00
265
5.00
-0.12
280.0
2.00 -0.81
16.2
16.0
5.0
383.00
273.0
0.81
5.15
4.00
12.0
563.00
267
5.00
-0.12
280.0
2.00 -0.81
16.2
16.0
5.0
383.00
275.0
0.81
5.15
4.00
12.0
566.00
268
5.00
-0.12
285.0
2.00 -0.81
16.2
16.0
5.0
388.00
276.0
0.81
5.15
4.00
12.0
570.00
270
5.00
-0.12
285.0
2.00 -0.81
16.2
16.0
5.0
388.00
278.0
0.81
5.15
4.00
12.0
573.00
272
5.00
-0.12
285.0
2.00 -0.81
16.2
16.0
5.0
388.00
280.0
0.81
5.15
4.00
12.0
577.00
275
5.00
-0.12
290.0
2.00 -0.81
16.2
16.0
5.0
393.00
283.0
0.81
5.15
4.00
12.0
585.00
277
5.00
-0.12
290.0
2.00 -0.81
16.2
16.0
5.0
393.00
285.0
0.81
5.15
4.00
12.0
587.00
278
5.00
-0.12
295.0
2.00 -0.81
16.2
16.0
5.0
400.00
286.0
0.81
5.15
4.00
12.0
590.00
280
5.00
-0.12
295.0
2.00 -0.81
16.2
16.0
5.0
400.00
288.0
0.81
5.15
4.00
12.0
593.00
282
5.00
-0.12
295.0
2.00 -0.81
16.2
16.0
5.0
400.00
290.0
0.81
5.15
4.00
12.0
599.00
285
5.00
-0.12
300.0
2.00 -0.81
16.2
16.0
5.0
408.00
293.0
0.81
5.15
4.00
12.0
605.00
287
5.00
-0.12
300.0
2.00 -0.81
16.2
16.0
5.0
408.00
295.0
0.81
5.15
4.00
12.0
610.00
288
5.00
-0.12
305.0
2.00 -0.81
16.2
16.0
5.0
415.00
296.0
0.81
5.15
4.00
12.0
611.00
290
5.00
-0.12
305.0
2.00 -0.81
16.2
16.0
5.0
415.00
298.0
0.81
5.15
4.00
12.0
615.00
292
5.00
-0.12
305.0
2.00 -0.81
16.2
16.0
5.0
415.00
300.0
0.81
5.15
4.00
12.0
620.00
295
5.00
-0.12
310.0
2.00 -0.81
16.2
16.0
5.0
426.00
303.0
0.81
5.15
4.00
12.0
625.00
297
5.00
-0.12
310.0
2.00 -0.81
16.2
16.0
5.0
426.00
305.0
0.81
5.15
4.00
12.0
630.00
298
5.00
-0.12
315.0
2.00 -0.81
16.2
16.0
5.0
435.00
306.0
0.81
5.15
4.00
12.0
631.00
300
5.00
-0.12
315.0
2.00 -0.81
16.2
16.0
5.0
435.00
308.0
0.81
5.15
4.00
12.0
636.00
305
6.00
-0.15
322.0
2.00 -0.90
XVI (XX)
6.0
755.00
315.0
0.81
6.20
5.00
15.0
810.00
310
6.00
-0.15
327.0
2.00 -0.90
XVI (XX)
6.0
770.00
320.0
0.89
6.20
5.00
15.0
823.00
315
6.00
-0.15
332.0
2.00 -0.90
XVI (XX)
6.0
785.00
325.0
0.89
6.20
5.00
15.0
837.00
320
6.00
-0.15
337.0
2.00 -0.90
XVI (XX)
6.0
800.00
330.0
0.89
6.20
5.00
15.0
850.00
325
6.00
-0.15
342.0
2.00 -0.90
XVI (XX)
6.0
810.00
335.0
0.89
6.20
5.00
15.0
864.00
330
6.00
-0.15
347.0
2.00 -0.90
XVI (XX)
6.0
820.00
340.0
0.89
6.20
5.00
15.0
876.00
335
6.00
-0.15
352.0
2.00 -0.90
XVI (XX)
6.0
830.00
345.0
0.89
6.20
5.00
15.0
890.00
340
6.00
-0.15
357.0
2.00 -0.90
XVI (XX)
6.0
840.00
350.0
0.89
6.20
5.00
15.0
903.00
345
6.00
-0.15
362.0
2.00 -0.90
XVI (XX)
6.0
855.00
355.0
0.89
6.20
5.00
15.0
916.00
350
6.00
-0.15
367.0
2.00 -0.90
XVI (XX)
6.0
870.00
360.0
0.89
6.20
5.00
15.0
929.00
355
6.00
-0.15
372.0
2.00 -0.90
XVI (XX)
6.0
880.00
365.0
0.89
6.20
5.00
15.0
942.00
360
6.00
-0.15
377.0
2.00 -0.90
XVI (XX)
6.0
890.00
370.0
0.89
6.20
5.00
15.0
955.00
365
6.00
-0.15
382.0
2.00 -0.90
XVI (XX)
6.0
906.00
375.0
0.89
6.20
5.00
15.0
968.00
370
6.00
-0.15
387.0
2.00 -0.90
XVI (XX)
6.0
920.00
380.0
0.89
6.20
5.00
15.0
981.00
375
6.00
-0.15
392.0
2.00 -0.90
XVI (XX)
6.0
932.00
385.0
0.89
6.20
5.00
15.0
994.00
380
6.00
-0.15
397.0
2.00 -0.90
XVI (XX)
6.0
940.00
390.0
0.89
6.20
5.00
15.0
1008.00
385
6.00
-0.15
402.0
2.00 -1.00
XVI (XX)
6.0
950.00
395.0
0.89
6.20
5.00
15.0
1021.00
390
6.00
-0.15
407.0
2.00 -1.00
XVI (XX)
6.0
960.00
400.0
0.89
6.20
5.00
15.0
1033.00
395
6.00
-0.15
412.0
2.00 -1.00
XVI (XX)
6.0
972.00
405.0
1.00
6.20
5.00
15.0
1047.00
400
6.00
-0.15
417.0
2.00 -1.00
XVI (XX)
6.0
980.00
410.0
1.00
6.20
5.00
15.0
1060.00
410
7.00
-0.15
430.0
2.00 -1.00
XXIII (XXVI)
6.0
1380.00
422.0
1.00
7.20
6.00
18.0
1307.00
420
7.00
-0.15
440.0
2.00 -1.00
XXIII (XXVI)
6.0
1410.00
432.0
1.00
7.20
6.00
18.0
1338.00
430
7.00
-0.15
450.0
2.00 -1.00
XXIII (XXVI)
6.0
1440.00
442.0
1.00
7.20
6.00
18.0
1369.00
440
7.00
-0.15
460.0
2.00 -1.00
XXIII (XXVI)
6.0
1470.00
452.0
1.00
7.20
6.00
18.0
1401.00
450
7.00
-0.15
470.0
2.00 -1.00
XXIII (XXVI)
6.0
1510.00
462.0
1.00
7.20
6.00
18.0
1431.00
460
7.00
-0.15
480.0
2.00 -1.00
XXIII (XXVI)
6.0
1550.00
472.0
1.00
7.20
6.00
18.0
1464.00
470
7.00
-0.15
490.0
2.00 -1.00
XXIII (XXVI)
6.0
1595.00
482.0
1.00
7.20
6.00
18.0
1495.00
480
7.00
-0.15
500.0
2.00 -1.00
XXIII (XXVI)
6.0
1640.00
492.0
1.00
7.20
6.00
18.0
1526.00
490
7.00
-0.15
510.0
3,00 -1.50
XXIII (XXVI)
6.0
1685.00
502.0
1.00
7.20
6.00
18.0
1558.00
500
7.00
-0.15
520.0
3,00 -1.50
XXIII (XXVI)
6.0
1730.00
512.0
1.00
7.20
6.00
18.0
1588.00
510
8.00
-0.15
535.0
3,00 -1.50
XXIII (XXVI)
6.0
2250.00
524.0
1.00
8.20
7.00
21.0
1894.00
520
8.00
-0.15
545.0
3,00 -1.50
XXIII (XXVI)
6.0
2290.00
534.0
1.00
8.20
7.00
21.0
1931.00
530
8.00
-0.15
555.0
3,00 -1.50
XXIII (XXVI)
6.0
2335.00
544.0
1.00
8.20
7.00
21.0
1968.00
540
8.00
-0.15
565.0
3,00 -1.50
XXIII (XXVI)
6.0
2380.00
554.0
1.00
8.20
7.00
21.0
2004.00
550
8.00
-0.15
575.0
3,00 -1.50
XXIII (XXVI)
6.0
2430.00
564.0
1.00
8.20
7.00
21.0
2041.00
560
8.00
-0.15
585.0
3,00 -1.50
XXIII (XXVI)
6.0
2495.00
574.0
1.00
8.20
7.00
21.0
2078.00
570
8.00
-0.15
595.0
3,00 -1.50
XXIII (XXVI)
6.0
2560.00
584.0
1.00
8.20
7.00
21.0
2114.00
580
8.00
-0.15
605.0
3,00 -1.50
XXIII (XXVI)
6.0
2625.00
594.0
1.00
8.20
7.00
21.0
2151.00
590
8.00
-0.15
615.0
3,00 -1.50
XXIII (XXVI)
6.0
2700.00
604.0
1.00
8.20
7.00
21.0
2188.00
600
8.00
-0.15
625.0
3,00 -1.50
XXIII (XXVI)
6.0
2770.00
614.0
1.00
8.20
7.00
21.0
2221.00
650
9.00
-0.20
680.0
3,00 -1.50
XXIII (XXXIV)
6.0
3600.00
666.0
1.00
9.30
8.00
24.0
2753.00
700
9.00
-0.20
730.0
4.00 -2.00
XXIII (XXXIV)
6.0
4120.00
716.0
1.00
9.30
8.00
24.0
2966.00
750
9.00
-0.20
785.0
4.00 -2.00
XXIII (XXXIV)
9.0
4540.00
768.0
1.00
9.30
9.00
27.0
3566.00
800
9.00
-0.20
835.0
4.00 -2.00
XXIII (XXXIV)
9.0
5450.00
818.0
1.00
9.30
9.00
27.0
3800.00
850
9.00
-0.20
890.0
4.00 -2.00
XXIII (XXXIV)
9.0
5990.00
870.0
1.00
9.30
10.00
30.0
4500.00
900
9.00
-0.20
940.0
4.00 -2.00
XXIII (XXXIV)
9.0
6740.00
920.0
1.00
9.30
10.00
30.0
4766.00
950
9.00
-0.20
1000.0
4.00 -2.00
XXIII (XXXIV)
9.0
7930.00
972.0
1.00
9.30
11.00
33.0
5608.00
1000
9.00
-0.20
1050.0
4.00 -2.00
XXIII (XXXIV)
9.0
8880.00
1022.0
1.00
9.30
11.00
33.0
5825.00
De nobis
Anhui Ningguo DongBo Fastener Co., Ltd.
Dongbo erat statutum in September MMV cum registered caput 47.72 decies. Est sita in National Ningguo oeconomica et technicae progressionem zonam, operit an area de XCI iugera et currently habet plus quam CDXX elit. The company has been focusing on the production of retaining rings for 46 years and is a professional Wholesale Snap Rings Manufacturers and OEM/ODM Snap Retaining Rings Factory, producing washers (round, butterfly, spherical), retaining rings, elastic cylindrical pins and other series of products and non-standard customized stamping parts. Est summus tech inceptum cum magna scale, multiple varietates, integrum cubits, et integrated vestibulum, R & D et Sales in industria.
Certificatorium honoris
  • Cnas
  • Iatf16949
  • Testimoniales
  • Iso14001
  • Testimoniales
  • Testimoniales
  • Testimoniales
  • Testimoniales
  • Testimoniales
  • Testimoniales
  • Testimoniales
  • Testimoniales

Nuntium

  • Apr 27,2026

    Non Latin Stamping Partes: A Guide

    Quid Non Latin Stamping partes sunt et cum opus illis NOTA VEXILLATIO PARTES NON- sunt praecisio metallorum, quae fiunt per processes stampas — utentes perit et pugnis ad instare schedae met...

    Visum
  • Apr 22,2026

    Circlip externi instruitur & amotio: GRADATUS Guide

    Circuli externi sunt inter fixores certissimos et sumptus efficaces in machinatione mechanica. In omnibus rebus ab autocinetis ad machinas TRADUCTOR industriae inventae, solutionem pactam praebent ad impediendum motum...

    Visum
  • Apr 15,2026

    Snap Rings Guide: Genera, Usus & Electio

    Intellectus Core Function Snap Annuli Snap annulos , saepe ad annulos vel circulos retinendos, proposito mechanico valde specifico inserviunt: motum axialem restringunt, servato radiali alvi praecisione in co...

    Visum
  • Apr 08,2026

    Non Latin Stamping Partes: Industrial Guide

    Ipsum Precision in Non-vexillum Stamping Partibus Productio Partes non-vexillares Stamping solutionem fabricandi criticam repraesentant pro industriarum requirunt components quae ab specificationibus conventionalib...

    Visum
Internum CIRCELIPS, Din472 metrica Scientia industriae

Et partes Din CDLXXII CIRCELIPS in ensuring secure axial positioning in circularibus

Et crepitus CDLXXII vexillum definit specifications ad internum CIRCELIPS, quae sunt installed in pre-processionaliter striatus in circularibus pertusum. Haec CIRCELIPs sunt machinatum providere securam apta ab exercent regit radiale vi contra sulcus muros. In prima munus est retinere components axially in hastile vel intra peperit, ne unwanted motus per operationem.

Dissimilis externa CIRCELIPS, quae installed in exteriore superficiem in hastili, Din CDLXXII internum CIRCESS disposito aptare snugly intra foraminis circularis foraminis. Hoc interpellat fit ensures ut CIRCIP manet securi sedet, etiam sub Dynamic condiciones ut inpulsa, vibrationis, aut summus celeritas gyrationis.

Quid agitare CDLXXII CIRCELOPS opus?
Et efficaciam Din CDLXXII CIRCES mendacium in consilio et materiam proprietatibus. Ex summus qualis materiae ut ipsum ferro (65Mn, c64s) et immaculatam ferro (CCCIV, 2CR13, 1.4122), haec CIRCELOPS possident optimum elasticitas, vires et lassitudine resistentia. Cum installed usura specialized cocclip pleos, et cocclip expands leviter ad aptare in sulcus et tunc contractus ad suum originale figura, partum a stricta sigillum quod prohibet axiali obsessio.

Key features of CDLXXII CIRCELIPS Laudate includit:
Intercentia fit, ensures cocclip manet securi sedet in sulcus.
Spring Properties: concedit in Cocclip ad absorbet parvis fragile et vibrationum sine permanens deformatio.
Subtilitas Dimensions: Stricta tolerances ut consistent perficientur per variis applications.
Applications per Industries
Din CDLXXII Internum CIRCES sunt late in applications in axial retentio est discrimine. Quidam commune exempla includit:

Automotive Industry : In engines, transmissions, and suspension systems, DIN 472 circlips are used to retain components such as bearings, gears, and bushings, ensuring smooth operation under high loads and vibrations.
Aerospace Engineering: in aircraft components sicut portum calces coetus et imperium systems, haec CIRCELLs providere reliable axial retention dum obstitit extremam conditionibus, inter temperatus fluctuations et summus frequency vibraciones.
Industrial Machinery: Ex TRADUCTOR systems ad gravibus-officium apparatu, Laudate CDLXXII CIRCELIPS sunt essentialis ad securing rotating vel reciproco partes, reducing downtime et sustentacionem costs.
Medical cogitationes: praecisione, machinatoribus circlips sunt in medicinae instrumenta et diagnostic apparatu, ubi accurate et reliability sunt non-MERCABILIS.
Material lectio et superficies treatments
Ad occursum postulat diverse operating environments: Laudate CDLXXII Internum CIRCES sunt available in varietate materiae et superficiem treatments.
Communis Options include:
Carbon ferro: offert princeps vires et diuturnitatem, faciens idoneam generali proposito applications.
Aliquam ferro: praebet optimum corrosio resistentia, idealis pro dura environments talis ut marine vel eget processus.
Superficiem treatments: optiones sicut phosphaating, Dacromet, Geomet, Galvanizing, et cadmiae-Nickel plating augendae ad cocclip scriptor resistentia ad induendum, rubigo et environmental degradation.
Haec materia et treatment electiones curare utinam CDLXXII CIRCELIPS potest praestare fideles in virtually aliqua application, utrum patere humorem, chemicals, aut extrema temperaturis.

Quid Elige Anhui Ningguo DongBo Fastener Co., Ltd.?
Cum fit, ut sourcing summus qualitas Din CDLXXII Internum CIRCELIPS, Anhui Ningguo DongBo Fastener Co., Ltd. stat de ut confidebat socium. In September MMV et sita in Ningguo oeconomica et technicae progressionem zona, DongBo fastener habet super XLVI annis experientia in producendo retinendis annulos, washers, elastica cylindricis, et alia praecisione, machinator components.

Cum focus in innovation et elit satisfactio, Dongbo fastener offers:
Comprehensive Product range: a vexillum stranxit CDLXXII CIRCELIPS ad plene customized solutions tailored ad specifica necessitates.
Provectus vestibulum artes: Utricizing State-of-in-arte apparatu et processus ut dimensional accurate et constantiam.
Commitment ad qualis: rigorous temptationis et qualitas fide protocols ensure omnis uber obvium habuerit vel excedit industriam signa.
Unum-subsisto solutions: a Missam productio ad Custom Development, DongBo providet integrari vestibulum, R & D et Sales Services.