86-563-4186973

Submit feedback

Externa frangeretur retinendo annulos pro Shaft GRIBUS, Din5417 Subministratores

In domo / Productus / Snap Annulorum / Externa frangeretur retinendo annulos pro Shaft GRIBUS, Din5417

ProducT CaTegories

Liquet

Contact Us

Externa frangeretur retinendo annulos pro Shaft GRIBUS, Din5417

A external snap retaining rings for shaft bearings is a device used to prevent the bearing from operating in the bearing housing run, its main role is to fix the bearing, not braking, this type of inner diameter of the week is rounded, to better fix, the installation of the stop ring groove also need to have the same rounded with the inner diameter of the stop ring.

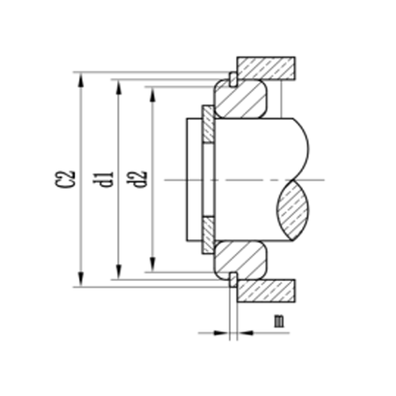
D1: Specification / nominis magnitudine; S: crassitudine; D3, interior diameter; ≈e: foramen; R: diametro r angle; B: width humerum; Wt: Weight; FN, sulcus afferentem facultatem; P. retinendi anulus afferentem facultatem (recti angulus); G: Chamfer magnitudine; FRG: retinendi anulum ferre facultatem (Chamferus); Nabell: terminus Volo:

Externa frangeretur retinendo annulos pro Shaft GRIBUS, Din5417

D1 S Tol S1 Tol D3 max ≈b D5 min Wt (G) D2 Tol m Tol n min
30
1.12
-0.1
27.4
0.4
3
0.4
3.25
-0.15
2.8
28.17
-0.25
1.35
0.3
13.7
32
1.12
-0.1
29.4
0.4
3
0.4
3.25
-0.15
3
30.15
-0.25
1.35
0.3
14.6
35
1.12
-0.1
32.4
0.4
3
0.4
3.25
-0.15
3.2
33.17
-0.25
1.35
0.3
16
37
1.12
-0.1
34
0.4
3
0.4
3.25
-0.15
3.4
34.77
-0.25
1.35
0.3
20.7
40
1.12
-0.1
37.3
0.4
3
0.4
3.25
-0.15
3.6
38.1
-0.25
1.35
0.3
19.3
42
1.12
-0.1
38.9
0.5
3
0.4
3.25
-0.15
3.8
39.75
-0.25
1.35
0.3
23.5
44
1.12
-0.1
40.9
0.5
3
0.4
3.25
-0.15
4
41.75
-0.25
1.35
0.3
24.6
47
1.12
-0.1
43.7
0.5
4
0.4
4.04
-0.15
5.3
44.6
-0.25
1.35
0.3
28.8
50
1.12
-0.1
46.7
0.5
4
0.4
4.04
-0.15
5.8
47.6
-0.25
1.35
0.3
30.6
52
1.12
-0.1
48.8
0.5
4
0.4
4.04
-0.15
5.9
49.73
-0.25
1.35
0.3
31.6
55
1.12
-0.1
51.7
0.5
4
0.4
4.04
-0.15
6.2
52.6
-0.25
1.35
0.3
33.8
56
1.12
-0.1
52.4
0.8
4
0.4
4.04
-0.15
6.5
53.6
-0.25
1.35
0.3
34.5
58
1.12
-0.1
54.4
0.8
4
0.4
4.04
-0.15
6.7
55.6
-0.25
1.35
0.3
35.6
62
1.7
-0.1
58.2
0.8
4
0.6
4.04
-0.15
10.5
59.61
-0.50
1.9
0.3
38.1
65
1.7
-0.1
61.2
0.8
4
0.6
4.04
-0.15
11
62.6
-0.50
1.9
0.3
40
68
1.7
-0.1
63.4
0.8
5
0.6
4.85
-0.15
12.6
64.82
-0.50
1.9
0.3
55.5
72
1.7
-0.1
67.4
0.8
5
0.6
4.85
-0.15
14.7
68.81
-0.50
1.9
0.3
59
75
1.7
-0.1
70.4
0.8
5
0.6
4.85
-0.15
15.3
71.83
-0.50
1.9
0.3
61.5
80
1.7
-0.1
75.4
0.8
5
0.6
4.85
-0.15
16.3
76.81
-0.50
1.9
0.3
65.7
85
1.7
-0.1
80.4
0.8
5
0.6
4.85
-0.15
17.5
81.81
-0.50
1.9
0.3
70
90
2.46
-0.1
85.4
0.8
5
0.7
4.85
-0.15
26.6
86.79
-0.50
2.7
0.3
74
95
2.46
-0.1
90.4
0.8
5
0.7
4.85
-0.15
28.2
91.82
-0.50
2.7
0.3
76.3
100
2.46
-0.1
95.2
1
5
0.7
4.85
-0.15
29.2
96.8
-0.50
2.7
0.3
82.5
110
2.46
-0.1
105.2
1
5
0.7
4.85
-0.15
32.8
106.81
-0.50
2.7
0.3
90.7
115
2.46
-0.1
110.2
1
5
0.7
4.85
-0.15
34.4
111.81
-0.50
2.7
0.3
97.7
120
2.82
-0.1
113.6
1
7
0.7
7.21
-0.15
60.6
115.21
-0.50
3.1
0.3
143
125
2.82
-0.1
118.6
1
7
0.7
7.21
-0.15
63
120.22
-0.50
3.1
0.3
155
130
2.82
-0.1
123.6
1
7
0.7
7.21
-0.15
65.6
125.22
-0.50
3.1
0.3
166
140
2.82
-0.1
133
1.6
7
0.7
7.21
-0.15
70.6
135.23
-0.50
3.1
0.3
180
145
2.82
-0.1
138
1.6
7
0.7
7.21
-0.15
73
140.23
-0.50
3.1
0.3
186
150
2.82
-0.1
142.9
1.6
7
0.7
7.21
-0.15
77.2
145.24
-0.50
3.1
0.3
193
160
2.82
-0.1
152.9
1.6
7
0.7
7.21
-0.15
81
155.22
-0.50
3.1
0.3
206
170
3.1
-0.1
161.3
1.6
10
0.7
9.6
-0.15
122
163.65
-0.50
3.5
0.3
283
180
3.1
-0.1
171.2
1.6
10
0.7
9.6
-0.15
128
173.66
-0.50
3.5
0.3
292
190
3.1
-0.1
181
1.8
10
0.7
9.6
-0.15
139
183.64
-0.50
3.5
0.3
311
200
3.1
-0.1
191
1.8
10
0.7
9.6
-0.15
148
193.65
-0.50
3.5
0.3
336
210
3.1
-0.1
200.9
1.8
10
1.2
9.6
-0.15
156
203.6
-0.50
3.5
0.3
356
215
3.1
-0.1
205.9
1.8
10
1.2
9.6
-0.15
160
208.6
-0.50
3.5
0.3
376
225
3.5
-0.1
214.3
1.8
10
1.2
10
-0.15
196
217
-0.50
4.5
0.4
462
230
3.5
-0.1
219.2
1.8
10
1.2
10
-0.15
200
222
-0.50
4.5
0.4
473
240
3.5
-0.1
229.2
1.8
10
1.2
10
-0.15
209
232
-0.50
4.5
0.4
495
250
3.5
-0.1
239.2
1.8
10
1.2
10
-0.15
220
242
-0.50
4.5
0.4
514
260
3.5
-0.1
247.5
2.5
10
1.2
10
-0.30
230
252
-0.50
4.5
0.4
536
270
3.5
-0.1
257.5
2.5
10
1.2
10
-0.30
240
262
-0.50
4.5
0.4
556
280
3.5
-0.1
267.5
2.5
10
1.2
10
-0.30
250
272
-0.50
4.5
0.4
578
290
3.5
-0.1
277.5
2.5
10
1.2
10
-0.30
260
282
-0.50
4.5
0.4
598
300
4.5
-0.2
284.5
2.5
10
1.5
12
-0.30
400
290
-0.50
5.5
0.5
694
310
4.5
-0.2
294
3
10
1.5
12
-0.30
412
300
-0.50
5.5
0.5
800
320
4.5
-0.2
304
3
10
1.5
12
-0.30
420
310
-0.50
5.5
0.5
824
340
4.5
-0.2
324
3
10
1.5
12
-0.30
446
330
-0.50
5.5
0.5
875
360
4.5
-0.2
343
3
10
1.5
12
-0.30
475
350
-0.50
5.5
0.5
930
370
4.5
-0.2
353
3
10
1.5
12
-0.30
485
360
-0.50
5.5
0.5
955
380
4.5
-0.2
363
3
10
1.5
12
-0.30
500
370
-0.50
5.5
0.5
955
400
4.5
-0.2
383
3
10
1.5
12
-0.30
525
390
-0.50
5.5
0.5
1040
De nobis
Anhui Ningguo DongBo Fastener Co., Ltd.
Dongbo erat statutum in September MMV cum registered caput 47.72 decies. Est sita in National Ningguo oeconomica et technicae progressionem zonam, operit an area de XCI iugera et currently habet plus quam CDXX elit. The company has been focusing on the production of retaining rings for 46 years and is a professional Wholesale Snap Rings Manufacturers and OEM/ODM Snap Retaining Rings Factory, producing washers (round, butterfly, spherical), retaining rings, elastic cylindrical pins and other series of products and non-standard customized stamping parts. Est summus tech inceptum cum magna scale, multiple varietates, integrum cubits, et integrated vestibulum, R & D et Sales in industria.
Certificatorium honoris
  • Cnas
  • Iatf16949
  • Testimoniales
  • Iso14001
  • Testimoniales
  • Testimoniales
  • Testimoniales
  • Testimoniales
  • Testimoniales
  • Testimoniales
  • Testimoniales
  • Testimoniales

Nuntium

  • Apr 27,2026

    Non Latin Stamping Partes: A Guide

    Quid Non Latin Stamping partes sunt et cum opus illis NOTA VEXILLATIO PARTES NON- sunt praecisio metallorum, quae fiunt per processes stampas — utentes perit et pugnis ad instare schedae met...

    Visum
  • Apr 22,2026

    Circlip externi instruitur & amotio: GRADATUS Guide

    Circuli externi sunt inter fixores certissimos et sumptus efficaces in machinatione mechanica. In omnibus rebus ab autocinetis ad machinas TRADUCTOR industriae inventae, solutionem pactam praebent ad impediendum motum...

    Visum
  • Apr 15,2026

    Snap Rings Guide: Genera, Usus & Electio

    Intellectus Core Function Snap Annuli Snap annulos , saepe ad annulos vel circulos retinendos, proposito mechanico valde specifico inserviunt: motum axialem restringunt, servato radiali alvi praecisione in co...

    Visum
  • Apr 08,2026

    Non Latin Stamping Partes: Industrial Guide

    Ipsum Precision in Non-vexillum Stamping Partibus Productio Partes non-vexillares Stamping solutionem fabricandi criticam repraesentant pro industriarum requirunt components quae ab specificationibus conventionalib...

    Visum
Externa frangeretur retinendo annulos pro Shaft GRIBUS, Din5417 Scientia industriae

De Scientia Post Din5417 retenta Annulorum: fixing gestus cum rotundatis interiore diametris

Retinens annulos, ut Din5417, serve simplex tamen vitalis proposito: ne gestus a movendo intra eorum habitaculis vel per sagittas. Dissimilis braking machinationes, quod potestate motus, retinendi annulos focus in fixation-ensuring quod components manere confidenter in locum per operationem. Hoc stabilitatem est crucial ad maintaining alignment, reducendo gerunt et lacrimam et ne pretiosi downtime.

Unus de Standout features de Din5417 retinentes circulum est eius rotunda interiore diameter. Hoc consilium elementum non modo aesthetic; Serves ad munus proposito. Et rotunda interiore diametrum concedit retinendi anulum apta snugly in correspondenter rotunda sulcus in hastile, partum securam et firmum nexu. Hoc consilio minimizes accentus concentrationes et ensures etiam distributionem virium, enhancing diuturnitatem et reliability ecclesiam.

Scientia rotundatis interiore diametris
Rotunda interiore diameter Din5417 retinendi anulum Est Testamentum ad momentum de materia scientia et ipsum in fastener consilio. Hic est quid hoc pluma est ita significant:

Improved Load Distribution:
A rotunda interiore diametro reducit acuti marginibus, quod posset creare accentus puncta. Per distribuendi onerat aequaliter per contactum superficiem, et retinendi anulum potest melius sustinere dynamic viribus et vibrationum.
Enhanced tenaci et stabilitatem:
Rotundatis profile ensures artius fit intra sulcus, obscuratis periculo slippage vel misalignment. Hoc est maxime momenti in summus celeritas vel gravibus, onus applications ubi praecisione est discrimine.
Compatibility cum modern vestibulum artes:
Et rotunda consilio alsigns perfecte cum provectus machining processibus ad creare striatus in sagittas. Hoc compatibility ensures seamless integration et consistent perficientur per conventiones.
Auctus lifespan:
Per reducendo accentus concentrationes et improving onus-afferentem capabilities, rotunda interiore diameter confert ad altiore Vivacitas utriusque retinendi circulum et components eam secura.

In Anhui Ningguo Dongbo Fastener Co., Ltd., fuimus perficere ars et scientia fastener productionem pro super XLVI annis. September MMV et headquartered in prestigious Ningguo oeconomica et technological progressionem zona noster societatis crevit in ducem in fastener industria. Cum autem Regular Registered Capital de 47.72 decies, a sprawling XCI-acra facilitas, et quadrigis de super DXXX peritus employees, ut instructi eripere products quod occursum summum signa qualitas et perficientur.

Din5417 nostra externa frangeretur retinendi annulos stare de pluribus causis
Precisione Vestibulum: Quisque retinendi anulum est ficti usura re publica-of-arte technology et subeundes rigorous qualis checks ut dimensional accurate et consistency.
Material Excellentia: Nos utimur premium-gradu materiae quod offer eximia vires, corrosio resistentia, et diuturnitatem, faciens nostris products idoneam ad amplis ambitus.
Customization elit: utrum vos postulo vexillum partes aut bespoke solutions tailored ad propria requisitis, nostra quadrigis habet peritia eripere.
Comprehensive Support: De initial Consultatio ad Post-Sales Service, providere finem-ut-finem suscipio ut vestri satisfactio.
Innovation repulsi a mos necessitates
In Dongbo nos credimus quod innovation incipit cum intellegendo provocationes adversus nostro customers. Nostrum technica progressionem quadrigis dedicavit ad creando solutions quod oratio realis-mundi problems. In Din5417 externa frangeretur retinendi annulos Nam Shaft Gentes est primam exemplum huius commitment. Et rotunda interiore diameter et robust consilio reflectunt nostram dedication ad providing products quod non solum occursum sed excedere exspectatione.

Ex Missam, productum vexillum partes ad plene customized components, ut offer a diverse portfolio products disposito ad opsonandum ad industries vnding a automotive et aerospace ad gravibus machinery et dolor bona. Nostrum facultatem ad aptet evolving foro postulat nobis seorsum ut confidebat socium businesses terrarum.

Vultus praemisit: in posterum retinendi anulum technology
Ut industries permanere ad antecessum, in demanda pro innovative fasting solutions non solum crescere. In Dongbo, nos manere committitur ad propellentibus terminis, quae possibile. Noster ongoing obsideri in R & D ensures quod maneat in fronte de technicis progressiones, tradens products quod iungere praecisione, diuturnitatem, et efficientiam.

Din5417 externa frangeretur retinendi anulum repraesentat iustus milestone iter ad excellentiam. Et eius rotunda interiore diameter et superior perficientur, id invitatur scientia et artes, quae definias nos notam.